電動偏心半球閥,PQ940H電動偏心半球閥廣泛用于噴煤粉、控制法氣體、含顆粒流體及粉沫固體介質輸送設備。電動偏心半球閥是由角行程電動執行器及和偏心半球閥組成,執行器采用一體化結構,電動執行機構內置伺服系統,輸入4-20mA控制信號或1-5VDC及220VAC電源即可控制運轉。電動偏心半球閥是一種由部分球閥板繞偏心軸心旋轉來控制流體的角行程調節閥。閥芯的回轉中心不與旋轉軸同心,可減少磨損,延長使用壽命,閥芯后部設有一個導流翼,有利于流體穩定流動,具有穩定性。其次,還有流量大,可調范圍廣等特點。電動偏心半球閥(凸輪撓曲調節閥)廣泛應用于石油、化工、電力、冶金、鋼鐵、造紙、藥類、食品、紡織、輕工等行業。
1.水損為零。采用偏心結構,閥門開啟后,流道完全暢通,水頭損失為零。可節約大量能源。
2.可靠的密封方式。軟密封結構自密封性能,硬密封結構彈性補償性能。
3.耐磨損,使用壽命長。球閥在開啟后,球冠偏置于閥體內,不被介質直接沖刷。
4.自動清污功能。硬密封偏心半球閥的球冠邊沿采用刀刃狀,不但可以刮去閥座上的污垢,還可以切斷雜物。
5.啟閉迅速。偏心曲軸旋轉90度即可實現啟閉,啟閉時間短
6.適合高流速。直通流道,堅固的偏心曲軸使之適用高流速且無振動。
1.適用介質:清水.原水(含泥沙).污水.海水、蒸汽、煤氣、天然氣、油品等。
2.適用溫度:軟密封偏心半球閥為-40℃-135℃;硬密封半求閥為常溫至600℃左右
3.適用壓力:PN6-PN64。
4.公稱通經:DN50~DN1200
電動偏心半球閥實物圖
產品說明
PQ940F/Y/H電動偏心半球閥利用偏心閥體,偏心球體和閥座,閥桿作旋轉運動時在共同軌跡自動定心,關閉過程中越關越緊,完全達到好的密封目的。閥門的球體和閥座完全脫離,消除了密封圈的磨損,克服了傳統球體閥座與球體密封面始終磨損的問題,非金屬彈性材料被嵌入金屬座中,閥座金屬面受到好的保護。本產品特別適用于鋼鐵業,鋁業,纖維,微小固體顆粒,紙漿,煤灰,石油氣等介質。
結構特點
1. 閥座設外臺階與閥體內臺階相配合的結構,防止了球體與閥座發生卡阻或脫離現象。
2. 利用偏心閥體,偏心球體和閥座,閥桿作旋轉運氣時,在共同軌跡自動定心,關閉過程中越關越緊,完全達到好密封的目的,所以偏心半球閥密性能安全可靠;閥門啟閉時,球體與閥座完全脫開,消除了密封副的磨損,克服了傳統球閥閥座與球體密封面始終磨損的問題。
3. 非金屬彈性材料被 于金屬座中,閥座金屬密封面受到好的保護。
4. 半球切口的球體與閥座之間有剪切作用,特適用于含 維,微小固體顆粒,漿等介質。
5. 全開時流通能力大,壓力損失小,且介質不會沉積在閥體中腔內。
6. 本產品具有精確的調節和可靠定位功能,流量特性為近似百分比,可調范圍大,調比為100;1。
執行標準
設計制造:GB12237-89
法蘭連接:GB/T17241.6998、GB/T9115(鋼制)
結構長度:GB12221-89
壓力試驗:GB/T13927的規定
性能參數
|
公稱壓力(Mpa) |
0.6 |
1.0 |
1.6 |
2.5 |
4.0 |
|
公稱通經(mm) |
40-600 |
40-600 |
40-600 |
40-600 |
40-600 |
|
密封試驗壓力(Mpa) |
0.66 |
1.1 |
1.76 |
2.75 |
4.4 |
|
殼體試驗壓力(Mpa) |
0.9 |
1.5 |
2.4 |
3.75 |
6.0 |
|
適用溫度(℃) |
-29~300、-29~425、-29~540 |
|
適用介質 |
清水、海水、污水、酸堿等液體、料漿、蒸汽、燃氣、油類 |
|
驅動方式 |
手動、電動、氣動 |
|
連接形式 |
法蘭連接、對夾連接 |
|
安裝方式 |
立式安裝、臥式安裝 |
材料明細表
|
序號 |
名稱及規格 |
材料 |
|
1 |
底蓋 |
25 |
|
2 |
內六角螺栓 |
35CrMo |
|
3 |
墊片 |
柔性石墨 |
|
4 |
閥體 |
WCB |
|
5 |
下閥桿 |
2Cr13 |
|
6 |
球體 |
WCB |
|
7 |
滑動軸承 |
銅基合金或不銹鋼 |
|
8 |
墊片 |
柔性石墨 |
|
9 |
閥座+堆焊合金鋼 |
25 |
|
10 |
閥座支承 |
25 |
|
11 |
內六角螺栓 |
35CrMo |
|
12 |
鍵 |
40Cr |
|
13 |
上閥桿 |
2Cr13 |
|
14 |
滑動軸承 |
銅基合金或不銹鋼 |
|
15 |
填料墊 |
2Cr13 |
|
16 |
填料 |
柔性石墨 |
|
17 |
填料壓蓋 |
WCB |
|
18 |
支架 |
WCB |
|
19 |
螺柱 |
35CrMo |
|
20 |
螺母 |
45 |
|
21 |
螺柱 |
35CrMo |
|
22 |
螺母 |
45 |
|
23 |
螺柱 |
35CrMo |
|
24 |
螺母 |
45 |
|
25 |
鍵 |
40Cr |
|
26 |
手動操作器 |
組合件 |
主要零件材料
|
閥體 閥蓋 |
GB |
WCB |
ZG1Cr18Ni9Ti |
ZG0Cr18Ni12Mo2Ti |
ZG15Cr1Mo1V |
|
ASTM |
WCB |
CF8 |
CF8M |
WC9 |
|
球體 |
GB |
ZG2Cr13 |
ZG1Cr18Ni9Ti 表面特殊處理 |
ZG0Cr18Ni12Mo2Ti 表面特殊處理 |
ZG15Cr1Mo1V 表面特殊處理 |
|
ASTM |
CA15 |
CF8+HF |
CF8M+HF |
WC9+HF |
|
閥桿 |
GB |
2Cr13 |
1Cr18Ni9Ti |
0Cr18Ni12Mo2Ti |
25Cr2Mo2V |
|
ASTM |
420 |
304 |
316 |
F22a |
|
閥座 |
GB |
PTFE |
2Cr13 |
PTFE |
1Cr18Ni9Ti |
PTFE |
0Cr18Ni12Mo2Ti |
D517 |
|
ASTM |
PTFE |
420 |
PTFE |
304 |
PTFE |
316 |
HF |
|
填料 |
GB |
PTFE |
柔性石墨 |
PTFE |
柔性石墨 |
PTFE |
柔性石墨 |
柔性石墨 |
|
ASTM |
PTFE |
柔性石墨 |
PTFE |
柔性石墨 |
PTFE |
柔性石墨 |
柔性石墨 |
|
螺栓 |
GB |
35 |
0Cr18Ni9 |
0Cr18Ni9 |
15Cr1Mo1V |
|
ASTM |
A193 B7 |
A320-B8 |
A320-B8 |
A193 B16 |
|
螺母 |
GB |
45 |
0Cr18Ni9 |
0Cr18Ni9 |
20CrMo |
|
ASTM |
A194 2H |
A194-8 |
A194-8 |
A194-4 |
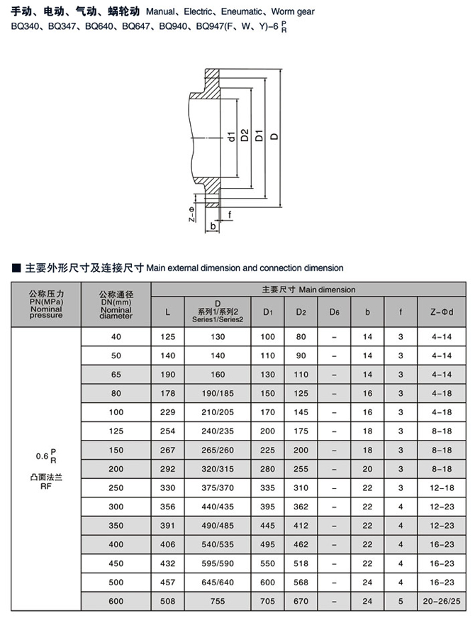
電動偏心半球閥,PQ940H電動偏心半球閥參數尺寸圖:
售后服務承諾
對于貴公司在雄工閥門訂購閥門產品,我司在售后服務方面作如下承諾:
一、我公司對產品質量實行三包,即:包質、包換、保修;
二、合同簽訂后,保證保質、保量,按時交貨;
三、本公司確保所提供閥門產品達到合同指標
四、對于需方的技術咨詢,隨時給予解答;
當接到用戶反應質量問題的信函或電話后,保證24小時內作出答復解決問題。
訂貨流程
- 客戶采購清單請傳真至 021-60714833,或來電咨詢 021-31263381。
- 收到客戶采購清單,為客戶提供閥門型號選型與報價(價格清單)。
- 具體商定:交貨期、特殊要求等事宜。
訂貨須知
- 客戶對產品有特殊要求,須在訂貨合同中提供以下說明:
- 結構長度
- 連接形式
- 公稱直徑、全通徑、縮徑、管道尺寸
- 運用介質及溫度、壓力范圍
- 實驗、檢驗標準及其他要求
- 本場可根據客戶特殊要求配置各類驅動裝置。
- 如由客戶提供確定的閥門類型和型號時,客戶應正確說明其型號的含義和要求,在供需雙方理解一致的條件下簽訂合同。
服務承諾
專業制造、專業服務,雄工為你創造更多價值
不斷提升服務質量,精益求精,“真誠的服務”是雄工永恒的主題。雄工嚴格按照 ISO9001-2000 質量體系認證要求,質量嚴格把關,責任到人,確保生產、銷售、服務的健康運行。加強與用戶溝通,竭誠為廣大客戶提供優質產品,至善至美服務,特此我廠做出如下承諾:
產品標準
產品嚴格按照中國 GB、HG 標準和美國 API 等標準設計、制造、驗收。密封面硬度達到國家規定要求,寬度超過國家標準。
售前服務
產品介紹,技術交流,非標產品設計,疑難解答
售中服務
- 守信合同,保證及時供貨,隨時保持與客戶聯系
- 對特殊或復雜的產品,我廠安排技術人員對用戶進行產品使用、故障排除、調式及維修進行培訓和指導。
售后服務
- 雄工產品質保期為自出廠起 12 個月,實行“三包”服務(包退、包換、包修)。
- 產品在使用中我廠定期組織技術、檢查人員進行訪問,征詢用戶對產品質量、使用狀況、改進意見等方面的反饋,以便進一步提高產品質量。
- 對用戶投訴產品質量問題,快速做出反映,售后服務人員在 24-36 小時(省外 48 小時)趕赴現場。
- 對售后服務,要求用戶填寫服務后的質量反饋表,并做出鑒定意見,一邊提高雄工的服務質量