氣動保溫球閥采用一體化結構執行器:執行器形式、控制方式、控制信號(4-20MA)、作用方式(氣-開式,氣-關式)該產品具有好的保溫保冷特性,且閥門的通徑和管徑一樣,介質呈直線流動,阻力小,適合容易凝固、高粘度的液體介質。同時又能有效降低管路中介質的熱量損失。整體式夾套設計,更能均勻地保溫、保冷。夾套、閥體外側與夾套接管焊接,允許蒸汽或冷水的壓力為1MPa。主要用于石油、化工、制藥、食品等各類系統中,以輸送常溫下會凝固的高粘度介質。
氣動保溫球閥實物圖片


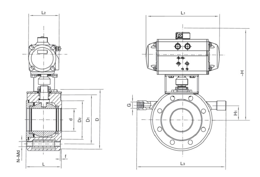
氣動保溫球閥相關資料:
主要零件材質表
|
序號 |
零件名稱 |
材質 |
|
P |
R |
|
1 |
閥蓋 |
ZG1Cr18Ni9Ti |
ZG1Cr18Ni12Mo2Ti |
|
2 |
墊片 |
PTEF、對位聚苯(PPL) |
|
3 |
閥座 |
PTEF、對位聚苯(PPL)、尼龍 |
|
4 |
球體 |
1Cr18Ni9Ti |
|
5 |
閥座 |
PTEF、對位聚苯(PPL)、尼龍 |
|
6 |
夾套閥體 |
ZG1Cr18Ni9Ti |
ZG1Cr18Ni12Mo2Ti |
|
7 |
螺栓 |
1Cr18Ni9Ti |
1Cr18Ni12Mo2Ti |
|
8 |
閥桿 |
1Cr18Ni9Ti |
1Cr18Ni12Mo2Ti |
|
9 |
墊片 |
1Cr18Ni9Ti |
1Cr18Ni12Mo2Ti |
|
10 |
填料 |
PTFE、PPL |
|
11 |
襯套 |
PTFE復合軸承 |
|
12 |
彈墊 |
1Cr18Ni9Ti |
1Cr18Ni12Mo2Ti |
|
13 |
墊片 |
1Cr18Ni9Ti |
|
14 |
螺母 |
1Cr18Ni9Ti |
|
15 |
連接支架 |
1Cr18Ni9Ti |
|
16 |
螺栓 |
1Cr18Ni9Ti |
|
17 |
連接套 |
1Cr18Ni9Ti |
|
18 |
氣動裝置 |
AT系列 |
|
19 |
位置指示器 |
塑料 |
注: 系列球閥主要零部件及密封圈的材質可根據實際工況條件或用戶要求設計選用。
|
規格 |
外形尺寸 |
連接法蘭尺寸 |
執行器型號 |
|
d |
L |
L1 |
L2 |
L3 |
~H |
H1 |
D |
D1 |
D2 |
G |
f |
N-Md |
|
DN15 |
15 |
35 |
141/159 |
71/83 |
150 |
177/208 |
15 |
95 |
65 |
46 |
1/2" |
2 |
4-M12 |
AT050D/AT063S |
|
DN20 |
20 |
42 |
141/159 |
71/83 |
160 |
182/213 |
20 |
105 |
75 |
56 |
1/2" |
2 |
4-M12 |
AT050D/AT063S |
|
DN25 |
25 |
48 |
141/211 |
71/95 |
190 |
187/230 |
20 |
115 |
85 |
65 |
1/2" |
2 |
4-M12 |
AT050D/AT075S |
|
DN32 |
29 |
55 |
159/211 |
83/95 |
210 |
223/243 |
25 |
140 |
100 |
76 |
1/2" |
3 |
4-M16 |
AT063D/AT075S |
|
DN40 |
38 |
65 |
211/248 |
95/107 |
230 |
231/261 |
30 |
150 |
110 |
84 |
1/2" |
3 |
4-M16 |
AT075D/AT088S |
|
DN50 |
46 |
75 |
248/269 |
107/123 |
250 |
258/293 |
30 |
165 |
125 |
99 |
1/2" |
3 |
4-M16 |
AT088D/AT100S |
|
DN65 |
62 |
95 |
248/315 |
107/141 |
270 |
273/298 |
45 |
185 |
145 |
118 |
1/2" |
3 |
4-M16 |
AT088D/AT115S |
|
DN80 |
76 |
118 |
269/345 |
123/152 |
300 |
303/325 |
50 |
200 |
160 |
132 |
1/2" |
3 |
8-M16 |
AT100D/AT125S |
|
DN100 |
92 |
140 |
245/409 |
152/172 |
340 |
333/390 |
70 |
220 |
180 |
156 |
1" |
3 |
8-M16 |
AT125D/AT145S |
|
DN125 |
110 |
200 |
409/438 |
172/187 |
360 |
380/468 |
80 |
250 |
210 |
184 |
1" |
3 |
8-M16 |
AT145D/AT160S |
|
DN150 |
145 |
225 |
438/550 |
187/215 |
420 |
432/520 |
95 |
285 |
240 |
211 |
1" |
3 |
8-M20 |
AT160D/AT190S |
注:連接法蘭尺寸可根據ANSI、JIS標準或用戶要求。
注:L1數據XXX/XXX分別是氣動執行器雙作用式/單作用式(彈簧復位)。
注:根據不同閥門扭矩、使用介質適配的執行器型號可能有所不同,相關尺寸隨之變化。
售后服務承諾
對于貴公司在雄工閥門訂購閥門產品,我司在售后服務方面作如下承諾:
一、我公司對產品質量實行三包,即:包質、包換、保修;
二、合同簽訂后,保證保質、保量,按時交貨;
三、本公司確保所提供閥門產品達到合同指標
四、對于需方的技術咨詢,隨時給予解答;
當接到用戶反應質量問題的信函或電話后,保證24小時內作出答復解決問題。
訂貨流程
- 客戶采購清單請傳真至 021-60714833,或來電咨詢 021-31263381。
- 收到客戶采購清單,為客戶提供閥門型號選型與報價(價格清單)。
- 具體商定:交貨期、特殊要求等事宜。
訂貨須知
- 客戶對產品有特殊要求,須在訂貨合同中提供以下說明:
- 結構長度
- 連接形式
- 公稱直徑、全通徑、縮徑、管道尺寸
- 運用介質及溫度、壓力范圍
- 實驗、檢驗標準及其他要求
- 本場可根據客戶特殊要求配置各類驅動裝置。
- 如由客戶提供確定的閥門類型和型號時,客戶應正確說明其型號的含義和要求,在供需雙方理解一致的條件下簽訂合同。
服務承諾
專業制造、專業服務,雄工為你創造更多價值
不斷提升服務質量,精益求精,“真誠的服務”是雄工永恒的主題。雄工嚴格按照 ISO9001-2000 質量體系認證要求,質量嚴格把關,責任到人,確保生產、銷售、服務的健康運行。加強與用戶溝通,竭誠為廣大客戶提供優質產品,至善至美服務,特此我廠做出如下承諾:
產品標準
產品嚴格按照中國 GB、HG 標準和美國 API 等標準設計、制造、驗收。密封面硬度達到國家規定要求,寬度超過國家標準。
售前服務
產品介紹,技術交流,非標產品設計,疑難解答
售中服務
- 守信合同,保證及時供貨,隨時保持與客戶聯系
- 對特殊或復雜的產品,我廠安排技術人員對用戶進行產品使用、故障排除、調式及維修進行培訓和指導。
售后服務
- 雄工產品質保期為自出廠起 12 個月,實行“三包”服務(包退、包換、包修)。
- 產品在使用中我廠定期組織技術、檢查人員進行訪問,征詢用戶對產品質量、使用狀況、改進意見等方面的反饋,以便進一步提高產品質量。
- 對用戶投訴產品質量問題,快速做出反映,售后服務人員在 24-36 小時(省外 48 小時)趕赴現場。
- 對售后服務,要求用戶填寫服務后的質量反饋表,并做出鑒定意見,一邊提高雄工的服務質量