自力式流量調節閥,V130D05,自力式流量調節閥是一種無需外加驅動能源,依靠被調介質自身的壓力為動力源及其介質壓力支化,按設定值進行自動調節的節能型控制裝置。它集檢測、控制、執行諸多功能于一閥,自成一個獨立的儀表控側系統。
該產品由低流阻單座(套筒)閥體、壓力平衡件、指揮器及執行機構組成。是符含標準的閥門產品,
30D01自力式(閥后)壓力控制閥和30D02自力式(閥前)壓力控制閥由控制閥門、執行器和一個設定壓力的彈簧組成。適用于非腐蝕性的液體、氣體和蒸汽,在系統管道中起閥后壓力控制的作用,當閥后壓力升高時,控制閥關閉。
自力式差壓控制閥(差壓升高閥關)(差壓升高閥開)
自力式壓力控制閥帶指揮器(閥前控制)
自力式壓力控制閥帶指揮器(閥后控制)
30T01Y/30T01R 自力式溫度控制閥(加熱型)
30T02Y/30T02R 自力式溫度控制閥(冷卻型)
03W01自力式微壓控制閥?蓮V泛應用于介質壓力不大于1.4Mpa工作溫度不大于120℃(或150℃),調壓范圍在0.14-7.2KPa無腐蝕性的氣體介質的閥后壓力(毫米水柱級),廣泛適用于各種油品、化學品、液體儲罐的氮封系統中。
自力式流量調節閥其特點有:
1、無需外加驅動能源的節能型自控系統.設備費用低;
2、結構簡單.維護工作量。
3、設定點可調且范圍寬.便于用戶在設定范圍內連續調整流量;
4、指揮操作型直接作用型動態響應快。jing度高,可調比大;
5、閥內采用壓力平衡機構,使調節閥反應靈敏、允許壓差大。
自力式流量調節閥型號
流量調節閥:V130D05(硬密封) V131D05(軟密封)
【產品特點】
1、無需外加驅動能源的節能型自控系統.設備費用低;
2、結構簡單.維護工作量小;
3、設定點可調且范圍寬.便于用戶在設定范圍內連續調整流量;
4、指揮操作型較直接作用型動態響應快,可調比大;
5、閥內采用壓力平衡機構,使調節閥反應靈敏、允許壓差大。
【技術參數】
閥內件特點:
1、內置波紋管,有壓力平衡結構,靈敏度高
2、結構緊湊,性能可靠,免于維護
3、采用標準模塊化設計
4、通過組合件,可以進行多項組合控制
閥體類型: 直通式
閥蓋形式: 標準型
散熱型
流量特性: 快開
口徑范圍: DN15-300(1/2”-12”)
壓力等級: PN1.6、4.0Mpa(ANSI 150、300LB)
泄漏等級: ASME B16.104 Ⅴ(軟密封)
ASME B16.104 Ⅳ(硬密封)
管道連接方式: 法蘭式
設定值偏差: ±4%
適用溫度范圍: -30° ~ 350°
執行機構類型: 薄膜式執行機構(自力式)
活塞式執行機構(自力式)
自力式流量調節閥性能指標
|
公稱通徑DN |
15 |
20 |
25 |
32 |
40 |
50 |
65 |
80 |
100 |
125 |
150 |
200 |
250 |
|
額定流量系數Kvs |
4 |
6.3 |
8 |
16 |
20 |
32 |
50 |
80 |
125 |
160 |
280 |
320 |
400 |
|
有效壓力下流量(m3/h) |
0.02MPa |
1.5 |
2.5 |
3.5 |
5.5 |
9.0 |
14 |
22 |
36 |
55 |
70 |
125 |
180 |
250 |
|
0.05 MPa |
2.5 |
3.5 |
5.5 |
9.0 |
12 |
22 |
36 |
55 |
85 |
110 |
180 |
- |
- |
|
噪音衡量系數Z值 |
0.6 |
0.6 |
0.6 |
0.55 |
0.55 |
0.5 |
0.5 |
0.45 |
0.4 |
0.35 |
0.3 |
0.2 |
0.2 |
| 允許壓差△P(MPa) |
PN16 |
1.6 |
1.5 |
1.2 |
1.0 |
|
PN40 |
2.0 |
|
公稱壓力MPa |
1.6;4.0 |
|
控制精度 |
±4% |
|
泄露率 |
硬密封:4x10*-4閥額定容量;軟密封:≤40氣泡/分鐘 |
| 工作溫度 ℃ |
軟密封≤140 |
|
硬密封配隔離罐≤200 |
配隔離罐加長件≤200 |
|
壓力平衡元件 |
波紋管 |
滾動膜片 |
|
閥體材質 |
WCB,CF8,CF3 |
|
閥芯材質 |
不銹鋼,軟密封為不銹鋼鑲嵌橡膠圈 |
| 工作壓力 |
4.0MPa |
注:
1、液體>140℃、氣體>80 ℃時閥倒裝;
2、Z值:噪音衡量系數,該值用來衡量噪音大小,具體計算請咨詢雄工閥門工程師
【執行機構技術參數】
自力式流量調節閥執行機構參數
|
有效面積(cm2) |
250 |
630 |
|
有效壓力(MPa) |
0.02;0.05 |
|
允許上下膜室之間壓差(MPa) |
0.4 |
0.15 |
|
材質 |
膜蓋:鋼板鍍鋅;膜片:EPDM或FKM夾纖維 |
|
控制管線、接頭 |
銅管或鋼管 |
【連接尺寸】
自力式流量調節閥外形尺寸(mm)
|
公稱通徑 |
15 |
20 |
25 |
32 |
40 |
50 |
65 |
80 |
100 |
125 |
150 |
200 |
250 |
|
L |
130 |
150 |
160 |
180 |
200 |
230 |
290 |
310 |
350 |
400 |
480 |
600 |
730 |
|
B |
121 |
212 |
238 |
238 |
240 |
240 |
275 |
275 |
380 |
380 |
295 |
325 |
372 |
|
R |
263 |
380 |
|
H |
150 |
520 |
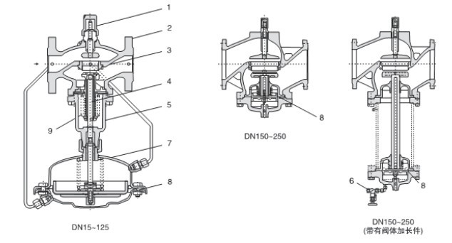
【自力式流量調節閥結構圖片】
|
結構簡圖 |
|
1 |
2 |
3 |
4 |
5 |
6 |
7 |
8 |
9 |
10 |
11 |
12 |
13 |
14 |
15 |
16 |
|
閥體 |
閥座 |
閥桿 |
閥前壓力 P1導壓管 |
平衡波 紋管 |
行程 顯示器 |
膜片 |
彈簧 |
操作壓力 Ps導壓管 |
閥后壓力 P2導壓管 |
指揮器 |
指揮閥芯 |
彈簧 |
波紋管 |
調節螺釘 |
可調針閥 |
型號編制說明
|
XG |
|
-300 |
|
-ZY |
|
-D01 |
|
-C1 |
|
-15 |
|
>1.雄工牌 |
|
>2.系列型號 |
|
>3.控制形式 |
|
>4.作用方式 |
|
>5.連接方式 |
|
>6.公稱通徑 |
|
|
|
|
|
|
|
|
|
|
|
|
|
-16 |
|
-P4 |
|
-Y |
|
-W1 |
|
-B1 |
|
-K |
|
>7.公稱壓力 |
|
>8.閥體材質 |
|
>9.密封材質 |
|
>10.介質溫度 |
|
>11.附件選項 |
|
>12.流量特性 |
|
1代號 |
|
|
4代號 |
作用方式 |
|
5代號 |
連接方式 |
|
XG |
雄工牌 |
|
D01 |
閥后穩定 |
|
C1 |
內螺紋 |
|
|
|
|
D02 |
閥前泄壓 |
|
C2 |
法蘭 |
|
|
|
|
D03 |
差壓上升閥關 |
|
...... |
...... |
|
|
|
D04 |
差壓上升閥開 |
|
|
|
|
2代號 |
系列型號 |
|
D12 |
指揮器閥后 |
|
|
|
|
300 |
自力式調節閥 |
|
D13 |
指揮器閥前 |
|
其他連接方式可根據客戶要求設計制作 |
|
|
|
|
L01 |
流量調節 |
|
|
|
|
|
|
|
T01 |
溫度(加熱型) |
|
6代號 |
公稱通徑 |
|
|
|
|
T02 |
溫度(冷卻型) |
|
15 |
15mm |
|
3代號 |
控制形式 |
|
W01 |
微壓型 |
|
20 |
20mm |
|
ZY |
自力式壓力 |
|
W02 |
雙膜片微壓型 |
|
25 |
25mm |
|
ZC |
自力式壓差 |
|
P/N/M |
壓力調節 |
|
32 |
32mm |
|
ZL |
自力式流量 |
|
...... |
...... |
|
40 |
40mm |
|
ZW |
自力式溫度 |
|
|
|
|
50 |
50mm |
|
ZZ |
自力式組合 |
|
|
|
|
...... |
...... |
|
|
|
|
|
|
|
|
|
|
|
|
|
|
|
|
|
|
|
|
|
|
|
|
|
|
|
|
7代號 |
公稱壓力 |
|
9代號 |
密封形式 |
|
11代號 |
附件選項 |
|
16 |
16bar |
|
Y |
硬密封 |
|
B1 |
指揮器 |
|
40 |
40bar |
|
R |
軟密封 |
|
B2 |
冷卻罐 |
|
64 |
64bar |
|
|
|
|
B3 |
散熱片 |
|
...... |
...... |
|
|
|
|
B4 |
冷卻罐+散熱片 |
|
|
|
|
|
|
|
B5 |
加長件 |
|
|
|
|
|
|
|
B6 |
組合件 |
|
其他特殊壓力可根據客戶要求制作 |
|
|
|
|
B7 |
行程顯示器 |
|
8代號 |
閥體材質 |
|
|
|
|
B8 |
手操機構 |
|
Q |
鑄鐵HT200 |
|
10代號 |
介質溫度 |
|
...... |
...... |
|
C |
鑄鋼WCB |
|
W1 |
≤150℃ |
|
|
|
|
P4 |
不銹鋼304 |
|
W2 |
≤200℃ |
|
|
|
|
P6 |
不銹鋼316L |
|
W3 |
≤350℃* |
|
|
|
|
...... |
....... |
|
|
|
|
12代號 |
流量特性 |
|
|
|
|
|
|
|
K |
快開 |
|
|
|
|
|
|
|
|
|
|
|
|
|
|
|
|
|
|
|
|
|
|
|
|
|
|
|
|
其它特殊閥體材質可定做 |
|
*表示僅當介質為蒸汽有效且閥體需選用PN40 |
|
|
售后服務承諾
對于貴公司在雄工閥門訂購閥門產品,我司在售后服務方面作如下承諾:
一、我公司對產品質量實行三包,即:包質、包換、保修;
二、合同簽訂后,保證保質、保量,按時交貨;
三、本公司確保所提供閥門產品達到合同指標
四、對于需方的技術咨詢,隨時給予解答;
當接到用戶反應質量問題的信函或電話后,保證24小時內作出答復解決問題。
訂貨流程
- 客戶采購清單請傳真至 021-60714833,或來電咨詢 021-31263381。
- 收到客戶采購清單,為客戶提供閥門型號選型與報價(價格清單)。
- 具體商定:交貨期、特殊要求等事宜。
訂貨須知
- 客戶對產品有特殊要求,須在訂貨合同中提供以下說明:
- 結構長度
- 連接形式
- 公稱直徑、全通徑、縮徑、管道尺寸
- 運用介質及溫度、壓力范圍
- 實驗、檢驗標準及其他要求
- 本場可根據客戶特殊要求配置各類驅動裝置。
- 如由客戶提供確定的閥門類型和型號時,客戶應正確說明其型號的含義和要求,在供需雙方理解一致的條件下簽訂合同。
服務承諾
專業制造、專業服務,雄工為你創造更多價值
不斷提升服務質量,精益求精,“真誠的服務”是雄工永恒的主題。雄工嚴格按照 ISO9001-2000 質量體系認證要求,質量嚴格把關,責任到人,確保生產、銷售、服務的健康運行。加強與用戶溝通,竭誠為廣大客戶提供優質產品,至善至美服務,特此我廠做出如下承諾:
產品標準
產品嚴格按照中國 GB、HG 標準和美國 API 等標準設計、制造、驗收。密封面硬度達到國家規定要求,寬度超過國家標準。
售前服務
產品介紹,技術交流,非標產品設計,疑難解答
售中服務
- 守信合同,保證及時供貨,隨時保持與客戶聯系
- 對特殊或復雜的產品,我廠安排技術人員對用戶進行產品使用、故障排除、調式及維修進行培訓和指導。
售后服務
- 雄工產品質保期為自出廠起 12 個月,實行“三包”服務(包退、包換、包修)。
- 產品在使用中我廠定期組織技術、檢查人員進行訪問,征詢用戶對產品質量、使用狀況、改進意見等方面的反饋,以便進一步提高產品質量。
- 對用戶投訴產品質量問題,快速做出反映,售后服務人員在 24-36 小時(省外 48 小時)趕赴現場。
- 對售后服務,要求用戶填寫服務后的質量反饋表,并做出鑒定意見,一邊提高雄工的服務質量