
抽屜式阻火器,ZGB-II抽屜式波紋阻火器產品概述:
ZGB-II 抽屜阻火器結構特點:
1、結構合理、重量輕、耐腐蝕。
2、易檢修、安裝方便,檢查時不用拆卸呼吸閥。
3、阻火器芯子采用不銹鋼材料,耐腐蝕,易于清洗。
ZGB-II 抽屜阻火器性能:
1、防爆性能合格(ⅡA),連續13次阻爆性能試驗每次都能阻火。
2、耐燒性能合格,耐燒試驗1小時無回火現象。
3、水壓試驗合格。
ZGB-II 抽屜阻火器適用范圍:
1、 ZGB-II抽屜阻火器適用于儲存閃點低于28℃的甲類油品和閃點低于60℃的乙類油品,如:汽油、煤油、輕柴油、苯、甲苯、原油等油品的儲罐。
2、可易呼吸閥配套適用,也可單獨使用。
3、內浮頂油罐通氣管上。
4、加油站地下油罐通氣管上。
抽屜式阻火器,ZGB-II抽屜式波紋阻火器執行標準
設計規范:GB5908-86
試驗與檢驗: GB1347-92
法蘭連接:JB/T79、GB9112~9131、HG20592、SH3406、ANSI B16.5
產品標識:GB/T 12220
供貨規范:JB/T 7928
抽屜式阻火器,ZGB-II抽屜式波紋阻火器性能參數
|
閥體材料 |
碳鋼WCB、不銹鋼304、316、 |
|
阻火芯件材料 |
不銹鋼防爆阻火波紋板 |
|
密封件材料 |
耐油石棉橡膠、四氟PTFE |
|
環境溫度℃ |
≤480 |
|
公稱壓力(MPa) |
0.6~1.6MPa |
|
防爆 |
BS5501:ⅡA、ⅡB、ⅡC |
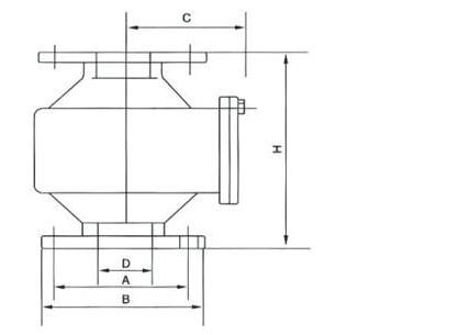
抽屜式阻火器,ZGB-II抽屜式波紋阻火器外形結構圖
抽屜式阻火器主要外形尺寸
|
規格 |
尺寸 |
|
D |
A |
B |
C |
H |
|
DN50 |
50 |
110 |
140 |
114 |
210 |
|
DN100 |
100 |
170 |
205 |
150 |
284 |
|
DN150 |
150 |
225 |
260 |
185 |
375 |
|
DN200 |
200 |
280 |
315 |
230 |
445 |
|
DN250 |
250 |
335 |
370 |
276 |
500 |
|
DN300 |
300 |
395 |
435 |
276 |
500 |
|
DN400 |
400 |
495 |
535 |
335 |
520 |
|
DN500 |
500 |
600 |
640 |
400 |
550 |
保養與維修
為了確保抽屜式阻火器的性能達到安全使用目的,對抽屜阻火器應定期檢查、保養。
1、抽屜式阻火器每半年檢查一次,檢查阻火層芯子是否堵塞、變形、腐蝕等。
2、發現被堵塞的阻火層芯子應清洗干凈,確保芯子上的每個孔眼暢通,對于變形和腐蝕的阻火層應更換。
3、重新安裝阻火層芯子時,應保證結合面嚴密不得漏氣。
售后服務承諾
對于貴公司在雄工閥門訂購閥門產品,我司在售后服務方面作如下承諾:
一、我公司對產品質量實行三包,即:包質、包換、保修;
二、合同簽訂后,保證保質、保量,按時交貨;
三、本公司確保所提供閥門產品達到合同指標
四、對于需方的技術咨詢,隨時給予解答;
當接到用戶反應質量問題的信函或電話后,保證24小時內作出答復解決問題。
訂貨流程
- 客戶采購清單請傳真至 021-60714833,或來電咨詢 021-31263381。
- 收到客戶采購清單,為客戶提供閥門型號選型與報價(價格清單)。
- 具體商定:交貨期、特殊要求等事宜。
訂貨須知
- 客戶對產品有特殊要求,須在訂貨合同中提供以下說明:
- 結構長度
- 連接形式
- 公稱直徑、全通徑、縮徑、管道尺寸
- 運用介質及溫度、壓力范圍
- 實驗、檢驗標準及其他要求
- 本場可根據客戶特殊要求配置各類驅動裝置。
- 如由客戶提供確定的閥門類型和型號時,客戶應正確說明其型號的含義和要求,在供需雙方理解一致的條件下簽訂合同。
服務承諾
專業制造、專業服務,雄工為你創造更多價值
不斷提升服務質量,精益求精,“真誠的服務”是雄工永恒的主題。雄工嚴格按照 ISO9001-2000 質量體系認證要求,質量嚴格把關,責任到人,確保生產、銷售、服務的健康運行。加強與用戶溝通,竭誠為廣大客戶提供優質產品,至善至美服務,特此我廠做出如下承諾:
產品標準
產品嚴格按照中國 GB、HG 標準和美國 API 等標準設計、制造、驗收。密封面硬度達到國家規定要求,寬度超過國家標準。
售前服務
產品介紹,技術交流,非標產品設計,疑難解答
售中服務
- 守信合同,保證及時供貨,隨時保持與客戶聯系
- 對特殊或復雜的產品,我廠安排技術人員對用戶進行產品使用、故障排除、調式及維修進行培訓和指導。
售后服務
- 雄工產品質保期為自出廠起 12 個月,實行“三包”服務(包退、包換、包修)。
- 產品在使用中我廠定期組織技術、檢查人員進行訪問,征詢用戶對產品質量、使用狀況、改進意見等方面的反饋,以便進一步提高產品質量。
- 對用戶投訴產品質量問題,快速做出反映,售后服務人員在 24-36 小時(省外 48 小時)趕赴現場。
- 對售后服務,要求用戶填寫服務后的質量反饋表,并做出鑒定意見,一邊提高雄工的服務質量