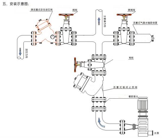
YQ98002過濾活塞式安全泄壓閥安裝在高層建筑、消防給水系統以及其它給水系統的管道上,當給水管路中壓力超過泄壓閥設定壓力時,泄壓閥自動開啟快速泄壓,保護管線安全,也可作持壓閥用,保障主閥上游的供水壓力。YQ98002過濾活塞式安全泄壓閥能準確保持不變的安全設定壓力,一旦超壓,泄壓閥迅速打開,及時泄壓。YQ98002過濾活塞式安全泄壓閥,關閉平穩可靠,消除壓力余波。
YQ98002過濾活塞式安全泄壓閥主要零件材質如下表:
零件名稱 |
材質 |
閥體、閥蓋 |
鑄鐵、鑄鋼、不銹鋼 |
閥座 |
錫青銅、不銹鋼 |
閥瓣 |
碳鋼、不銹鋼+NBR |
閥桿 |
鋁青鋼、鉻不銹鋼 |
活塞 |
鉻不銹鋼+NBR |
過濾網 |
不銹鋼 |
彈簧 |
不銹鋼 |

售后服務承諾
對于貴公司在雄工閥門訂購閥門產品,我司在售后服務方面作如下承諾:
一、我公司對產品質量實行三包,即:包質、包換、保修;
二、合同簽訂后,保證保質、保量,按時交貨;
三、本公司確保所提供閥門產品達到合同指標
四、對于需方的技術咨詢,隨時給予解答;
當接到用戶反應質量問題的信函或電話后,保證24小時內作出答復解決問題。
訂貨流程
- 客戶采購清單請傳真至 021-60714833,或來電咨詢 021-31263381。
- 收到客戶采購清單,為客戶提供閥門型號選型與報價(價格清單)。
- 具體商定:交貨期、特殊要求等事宜。
訂貨須知
- 客戶對產品有特殊要求,須在訂貨合同中提供以下說明:
- 結構長度
- 連接形式
- 公稱直徑、全通徑、縮徑、管道尺寸
- 運用介質及溫度、壓力范圍
- 實驗、檢驗標準及其他要求
- 本場可根據客戶特殊要求配置各類驅動裝置。
- 如由客戶提供確定的閥門類型和型號時,客戶應正確說明其型號的含義和要求,在供需雙方理解一致的條件下簽訂合同。
服務承諾
專業制造、專業服務,雄工為你創造更多價值
不斷提升服務質量,精益求精,“真誠的服務”是雄工永恒的主題。雄工嚴格按照 ISO9001-2000 質量體系認證要求,質量嚴格把關,責任到人,確保生產、銷售、服務的健康運行。加強與用戶溝通,竭誠為廣大客戶提供優質產品,至善至美服務,特此我廠做出如下承諾:
產品標準
產品嚴格按照中國 GB、HG 標準和美國 API 等標準設計、制造、驗收。密封面硬度達到國家規定要求,寬度超過國家標準。
售前服務
產品介紹,技術交流,非標產品設計,疑難解答
售中服務
- 守信合同,保證及時供貨,隨時保持與客戶聯系
- 對特殊或復雜的產品,我廠安排技術人員對用戶進行產品使用、故障排除、調式及維修進行培訓和指導。
售后服務
- 雄工產品質保期為自出廠起 12 個月,實行“三包”服務(包退、包換、包修)。
- 產品在使用中我廠定期組織技術、檢查人員進行訪問,征詢用戶對產品質量、使用狀況、改進意見等方面的反饋,以便進一步提高產品質量。
- 對用戶投訴產品質量問題,快速做出反映,售后服務人員在 24-36 小時(省外 48 小時)趕赴現場。
- 對售后服務,要求用戶填寫服務后的質量反饋表,并做出鑒定意見,一邊提高雄工的服務質量